产品中心
PRODUCT
一、产品概述
SHTTDHYP001 诱骗天线为窄带 GNSS/导航用诱骗(spoofing)天线,设计用于替代/兼容样品天线,具备良好的带宽和增益性能,结构紧凑,便于现场安装与替换。依据对比测试,卷积生产的样机在带宽与增益上优于样品,可原位替换。
二、功能指标
(1) 工作频率:1559 MHz ~1602 MHz
(2) 驻波比:(VSWR)≤ 1.5
(3) 增益(典型):≥ 1 dB
(4) 极化方式:右旋圆极化(RHCP)
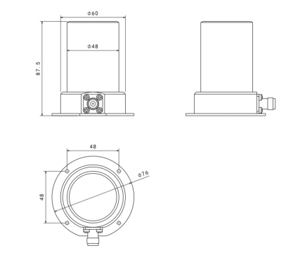
(5) 外形尺寸(参考):88 × Φ76 mm
(6) 颜色:B03
(7) 接口型号:TNC-K
(8) 安装方式:1/4-UNC20-2B 螺纹连接
(9) 工作温度:-40 ~ +60 ℃;
(10) 储存温度:-45 ~ +70 ℃
(11) 防护:防中雨(防雨淋)
(12) 运输:可公路运输
三、外形

四、产品图


五、部分测试图与记录表

图1 样品驻波比图 图2 卷积001驻波比图

图3 卷积002驻波比图 图4样品方向图

图5 卷积001方向图 图6卷积002方向图
测试数据对比记录表
序号 | 指标要求 | 样机 | 卷积001 | 卷积002 |
1 | 工作频率: 1559MHz-1602MHz | 符合 | 符合 | 符合 |
2 | 驻波比≤2 | 1.25,见图1 | 1.16,见图2 | 1.39,见图3 |
3 | <1 dB,见图4 | 1.56 dB,见图5 | 1.49 dB,见图6 | |
4 | 极化方式 | 右旋圆极化 | 右旋圆极化 | 右旋圆极化 |
5 | 尺寸:88×Φ76mm | 86.60×Φ76.07mm | 88.01×Φ76.43mm | 87.88×Φ76.36mm |
6 | 颜色:B03 | B03 | B03 | B03 |
7 | 接口型号:TNC-K | TNC-K | TNC-K | TNC-K |
8 | 安装方式:1/4-UNC20-2B螺纹连接 | 1/4-UNC20-2B螺纹连接 | 1/4-UNC20-2B螺纹连接 | 1/4-UNC20-2B螺纹连接 |
9 | 工作温度:-40~+60℃; 储存温度:-45°~+70℃;防雨淋(防中雨),可公路运输 | 符合 | 符合 | 符合 |
六、测试环境










